Ⅰ. Product Overview:Description
The Indoor GN27-40.5 Series High Voltage Isolating Switch is a type of switch designed for indoor applications in high-voltage electrical systems. It is specifically used to physically isolate or disconnect electrical equipment or circuits from the power supply.
Ⅱ. Product Model:
|
Specifications |
Rated voltage(kV) |
Rated Current (A) |
Poles |
4S Rated short-time withstand current (KA) |
Rated peak withstand current (KA) |
1min power frequency withstand voltage (KV) |
Lightning impulse withstand voltage(KV) |
|
GN27-40.5(C)(D)/630A |
40.5 |
630 |
3 |
20 |
50 |
95/118 |
185/215 |
|
GN27-40.5(C)(D)/1250A |
40.5 |
1250 |
3 |
31.5 |
80 |
||
|
GN27-40.5(C)(D)/2000A |
40.5 |
2000 |
3 |
40 |
100 |
||
|
GN27-40.5(C)(D)/2500A |
40.5 |
2500 |
3 |
40 |
100 |
Ⅲ. Applications:
The isolation switch is suitable for:
. AC 50 Hz (or 60 Hz) indoor installation power distribution equipment;
.The altitude does not exceed 1000 meters;
. The ambient medium temperature is higher than +40 degrees and not lower than -30 degrees;
The isolation switch is not applicable to:
.There are conductive or chemical gas, steam action places;
. Places where a large amount of dust accumulates;
. Places where there is a risk of fire and explosion (such as mines with gas);
(4). In the place of severe vibration, fluctuation or impact (such as in the pickaxe, dredger, etc.);
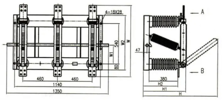
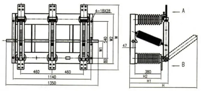
Ⅳ. GN27-40.5/630~2500 Indoor high voltage isolation switch outline and installation dimensions

|
dimension model |
W |
W1 |
W2 |
H |
H1 |
H2 |
|
GN27-40.5 / 630A |
805 |
220 |
700 |
970 |
560 |
483 |
|
GN27-40.5 / 1250A |
810 |
220 |
700 |
970 |
550 |
485 |
|
GN27-40.5 / 2000A |
885 |
250 |
700 |
1010 |
585 |
485 |
|
GN27-40.5 / 2500A |
953 |
250 |
730 |
1010 |
562 |
457 |
Ⅴ. Product Features:
Robust construction ensures durability and longevity.
High voltage isolation capability for enhanced safety.
Precision engineering for reliable performance in demanding environments.
Easy installation and maintenance, reducing downtime.
Weatherproof design suitable for outdoor applications.
Compatible with various voltage systems for versatility.
Ⅵ .Advantages:
Ceramic material: Our products are made of ceramic insulators, which are not easy to age and durable;
New type of contacts: Our products use a new process silver brazed contacts, low contact resistance and good electrical conductivity;
Convenient: The product can be installed on the pillar, wall, ceiling, cross frame or metal frame, so it is easy to install.
OEM/ODM Services:
At Shaanxi Yuguang Electric Co., Ltd., we understand the importance of customization. That's why we offer comprehensive OEM and ODM services to meet your specific requirements. Whether you need private labeling or custom product development, our experienced team is here to assist you every step of the way.
Certificates:
We take pride in our commitment to quality and safety. Our products are certified to meet the highest industry standards, including:
3C Certification
ISO 9001 Certification
21 Utility Model Patents and Design Patents

Why Choose Us:
State-of-the-art Manufacturing Equipment
Extensive Testing Facilities
Comprehensive Quality Assurance Processes
ISO 9001 Certified Quality Management System
One-year Warranty on All Products
Large Production Capacity
FAQ:
Q: What is the warranty period for your products? A: We offer a one-year warranty on all our products.
Q: Can you customize products according to our specifications? A: Yes, we provide OEM and ODM services to meet your specific requirements.
Q: Are your products compliant with international standards? A: Yes, our products meet all relevant international standards.
Q: What is the lead time for orders? A: The lead time depends on the quantity and customization requirements. Please contact us for more information.
Q: Do you provide technical support? A: Yes, we offer comprehensive technical support to our customers.
Packaging:
Wooden Box Packaging
Carton Packaging
Foam-filled Packaging
Waterproof and Moisture-proof Packaging
Customized Packaging
International Standard Packaging
Logistics:
Sea Freight
Air Freight
Land Transportation
Multimodal Transport
Express Delivery Services
Contact Us:
Ready to take your electrical projects to the next level? Contact us today at ygvcb@hotmail.com to discuss your requirements and explore partnership opportunities with Shaanxi Yuguang Electric Co., Ltd. Let's create a brighter future together.



