24kV Compressed-Air Load Switch
- Free Samples
- Quality Assurance
- 24/7 Customer Service
Product Introduction
YGFKN12A-24D / T630-20 Indoor AC High-Voltage Compressed-Air Load Switch
Overview
The YGFKN12A-24D / T630-20 indoor AC high-voltage compressed-air load switch is a three-phase high-voltage switchgear rated at 24kV, 50Hz. It is used for making and breaking load current, closed-loop current, no-load transformer and cable charging current, and for closing onto short-circuit current. The load switch equipped with an earthing switch can withstand short-circuit current. It is provided with manual and automatic mechanical operating mechanisms, facilitating the three-remote control requirements of power systems.
Product Model and Designation Meaning

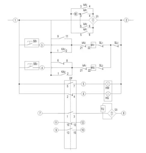
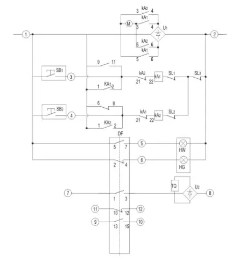
Electrical Schematic Diagram of Electric Operating Mechanism

*Connection instructions: 1-2 connect to power supply, 1-3 connect to closing button, 1-4 connect to opening button*
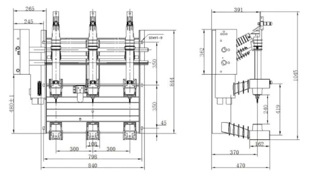
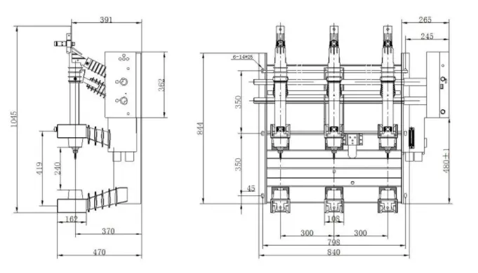
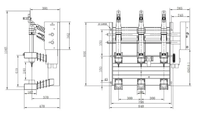
YGFKN12A-24D / YGFKRN12A-24D Inverted Mounting, Left Operation

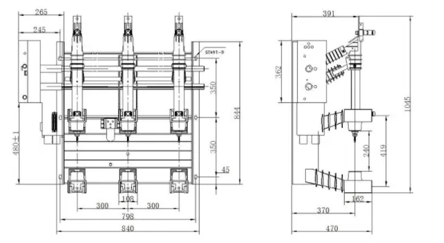
YGFKN12A-24D / YGFKRN12A-24D Inverted Mounting, Right Operation

Main Application
The YGFKN12A-24D compressed-air load switch is suitable for three -phase power distribution systems at 24kV and below, for control and protection of power equipment such as transformers, cables, and overhead lines. It is especially suitable for terminal substations and compact substations in urban and rural power networks, as well as for control and protection of ring network and dual-power supply units.
The YGFKN12A-24D series compressed-air load switch can make and break load current and overload current.
The YGFKRN12A-24D series compressed-air load switch – fuse com- bination apparatus can make and break load current, overload current, and interrupt short-circuit current of the line.
Operating Environment Conditions
1.Ambient air temperature: upper limit +40°C; lower limit -25°C
2.Altitude: below 2000m; for 12kV application, can be used at altitudes above 3000m
3.Relative air humidity: daily average not more than 95%, monthly average not more than 90%
4.Seismic intensity: not exceeding magnitude 8
5.Locations free from fire, explosion, chemical corrosion, and severe vibration
6.Pollution class: Class II
Structural Features
1.The load switch, earthing switch, fuse, and mechanism are mounted on a single frame, allowing flexible combination, compact structure, small size, and easy installation.
2.The disconnecting contact is of direct-acting arrangement, offering high dynamic and thermal short-circuit current withstand capability, completing operation in one stroke.
3.Equipped with an insulating cover for the fixed contact, which provides isolation in the ring main unit, eliminates the need for interphase insulation barriers and an insulating barrier for the disconnecting contact, and prevents arc flash short-circuit accidents inside the switchgear.
4.Unique operating structure: after the load switch opens, the earthing switch closes and the shutter closes, providing good protection performance.
5.Reliable mechanical interlock between the load switch, earthing switch, and fuse, meeting the "five-prevention" requirements.
6.Available in both manual operation and electric operation with AC/DC dual operating power supply, facilitating the "three-remote" require- ments of power systems.
Main Technical Parameters

OEM/ODM Services:
At Shaanxi Yuguang Electric Co., Ltd., we understand the importance of customization. That's why we offer comprehensive OEM and ODM services to meet your specific requirements. Whether you need private labeling or custom product development, our experienced team is here to assist you every step of the way.
Certificates:
We take pride in our commitment to quality and safety. Our products are certified to meet the highest industry standards, including:
3C Certification
ISO 9001 Certification
21 Utility Model Patents and Design Patents

Why Choose Us:
State-of-the-art Manufacturing Equipment
Extensive Testing Facilities
Comprehensive Quality Assurance Processes
ISO 9001 Certified Quality Management System
One-year Warranty on All Products
Large Production Capacity
FAQ:
Q: What is the warranty period for your products? A: We offer a one-year warranty on all our products.
Q: Can you customize products according to our specifications? A: Yes, we provide OEM and ODM services to meet your specific requirements.
Q: Are your products compliant with international standards? A: Yes, our products meet all relevant international standards.
Q: What is the lead time for orders? A: The lead time depends on the quantity and customization requirements. Please contact us for more information.
Q: Do you provide technical support? A: Yes, we offer comprehensive technical support to our customers.
Packaging:
Wooden Box Packaging
Carton Packaging
Foam-filled Packaging
Waterproof and Moisture-proof Packaging
Customized Packaging
International Standard Packaging
Logistics:
Sea Freight
Air Freight
Land Transportation
Multimodal Transport
Express Delivery Services
Contact Us:
Ready to take your electrical projects to the next level? Contact us today at ygvcb@hotmail.com to discuss your requirements and explore partnership opportunities with Shaanxi Yuguang Electric Co., Ltd. Let's create a brighter future together.
Send Inquiry
You may like


