Features:
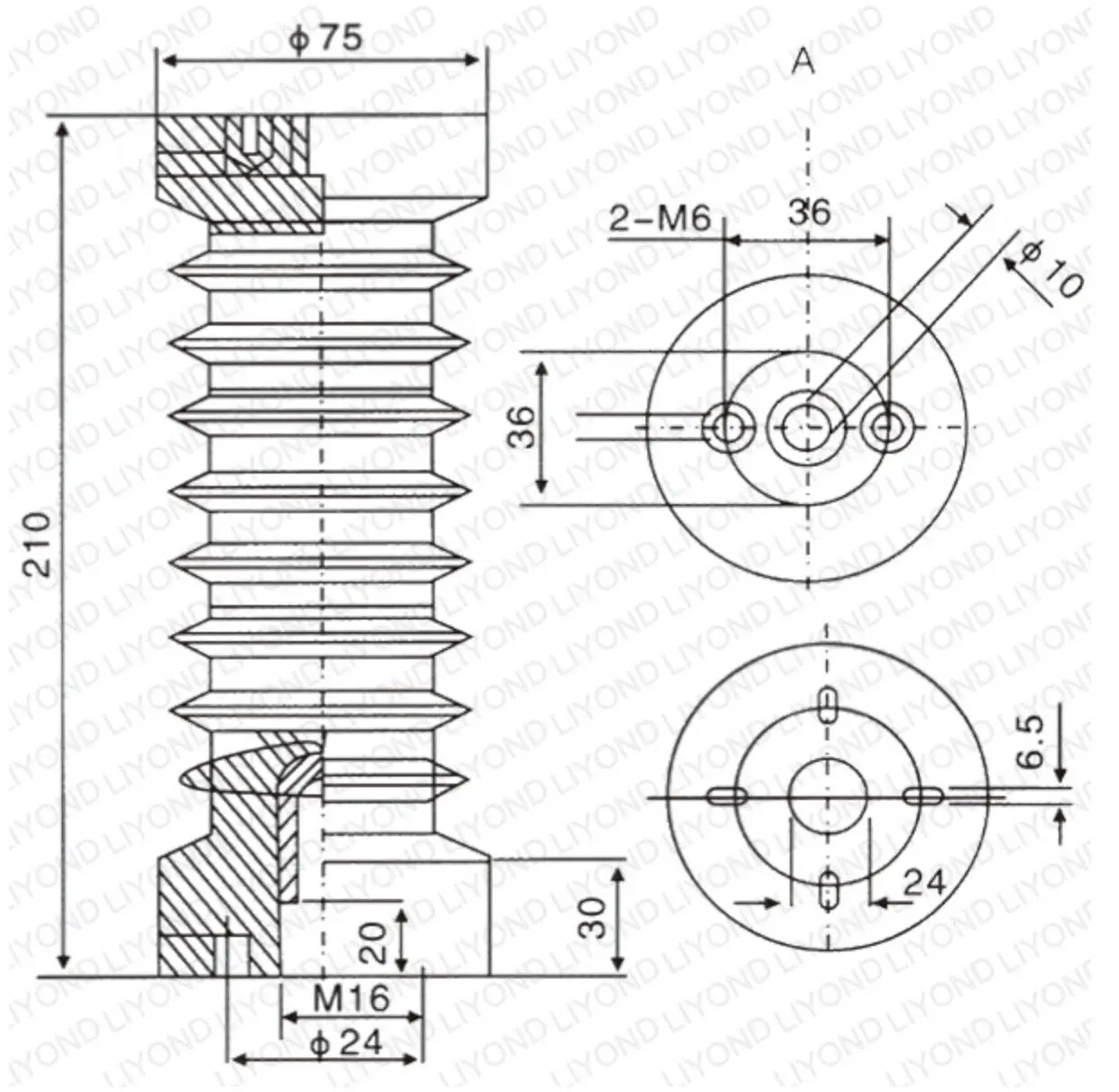
1. Application in 24kV switchgear, the epoxy cast resin insulator used for the detecting of the presence of voltage on phase lines.
2. The basic cooperation principle is on the capacitive device of phase voltage and the insulator connects with the discharge indicator unit.
3. With APG, Resin cast finished, backed in the machine and assembled with nuts, clean and packed.
4. The nuts can be made of copper or made of iron with copper plating. Detected by X-ray instrument, Partial Discharges instrument, thermal Cycle Test Machine.
5. Quality Control, Quality Products. It provides different specifications based on the size of electric current for the user's choice, and sold well both at home and abroad,
About us:
We are specialty on epoxy resin medium voltage and high voltage components, such as 12KV, 24 KV, 36KV and 40.5KV switchgear bushing, contactor box, insulators, transducers. 630A, 1250A, 2500A, 3150A and 4000A contactor box, club contact, fix contact, arm contact and jaw contact. 630A and 1250A VS1 circuit breaker. 630A and 1250A ZN85-40.5 circuit breaker. 12KV and 24KV earth switch. KYN28A-12 and KYN61 high voltage switchgear components!

Datas:



