Specificities:
Fast closing speed
Large opening distance and the stroke
Small bounce
Stable synchronisation
Excellent opening function
Product Details
ZN3A series high-voltage permanent magnet vacuum switch adopts a high-quality circuit breaker switch tube, with an advanced and reliable bistable permanent magnet mechanism and intelligent controller, with anti-skip function, combined with small opening current, can also be realised Power off and trip function.
The insulating parts are cast with epoxy resin, and the metal structure frame is reasonable and beautiful with stable performance is stable. It is suitable for the load of switching large-capacity capacitor banks, which is safe and reliable.
|
Technical parameters |
|||||
|
ltem |
Unit |
ZN9A-630/12 |
ZN3A-800/12 |
ZN3A-1000/12 |
ZN3A-1250/12 |
|
Rated voltage |
kV |
12 |
12 |
12 |
12 |
|
Rated current |
A |
630 |
800 |
1000 |
1250 |
|
Rated operate frequency |
Hz |
50 |
50 |
50 |
50 |
|
Rated short-circuit breaking current |
kA |
12.5/16/20 |
12.5/16/20 |
12.5/16/20 |
12.5/16/20 |
|
Rated short-circuit making current |
kA |
31.5 |
31.5 |
31.5 |
31.5 |
|
Rated short-time withstand current |
kA |
12.5/16/20 |
12.5/16/20 |
12.5/16/20 |
12.5/16/20 |
|
Rated duration of short-circuit |
S |
3 |
3 |
3 |
3 |
|
Short-circuit breaking times |
times |
25 |
25 |
25 |
25 |
|
Permanent magnet mechanism |
Million times |
10 |
10 |
10 |
10 |
|
Power-frequency withstand voltage for main circuit |
kV |
42 |
42 |
42 |
42 |
|
Phase to phase/phase to ground current withstand |
kV |
42 |
42 |
42 |
42 |
|
Lightning impulse withstand voltage |
N |
75 |
75 |
75 |
75 |
|
Terminal pressure |
mm |
>200 |
>200 |
>200 |
>200 |
|
Clearance between open contacts |
mm |
9±1 |
9±1 |
9±1 |
9±1 |
|
Over travel |
mm |
2±0.5 |
2±0.5 |
2+0.5 |
2±0.5 |
|
Main circuit resistance |
μΩ |
≤100 |
≤80 |
≤60 |
≤50 |
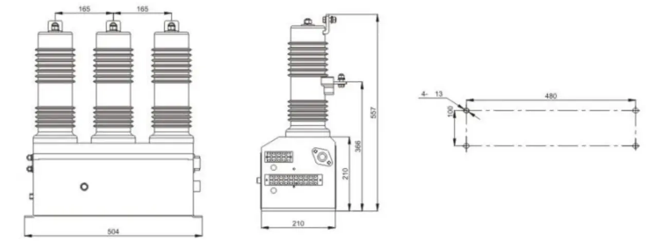
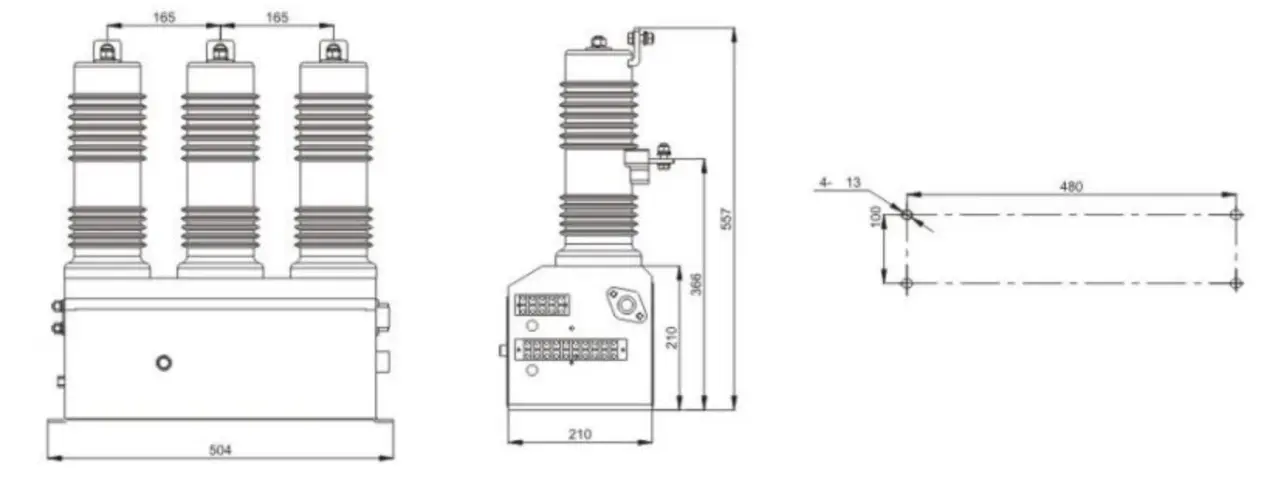
Outline and installation dimension drawing

OEM/ODM Services:
At Shaanxi Yuguang Electric Co., Ltd., we understand the importance of customization. That's why we offer comprehensive OEM and ODM services to meet your specific requirements. Whether you need private labeling or custom product development, our experienced team is here to assist you every step of the way.
Certificates:
We take pride in our commitment to quality and safety. Our products are certified to meet the highest industry standards, including:
3C Certification
ISO 9001 Certification
21 Utility Model Patents and Design Patents

Why Choose Us:
State-of-the-art Manufacturing Equipment
Extensive Testing Facilities
Comprehensive Quality Assurance Processes
ISO 9001 Certified Quality Management System
One-year Warranty on All Products
Large Production Capacity
FAQ:
Q: What is the warranty period for your products? A: We offer a one-year warranty on all our products.
Q: Can you customize products according to our specifications? A: Yes, we provide OEM and ODM services to meet your specific requirements.
Q: Are your products compliant with international standards? A: Yes, our products meet all relevant international standards.
Q: What is the lead time for orders? A: The lead time depends on the quantity and customization requirements. Please contact us for more information.
Q: Do you provide technical support? A: Yes, we offer comprehensive technical support to our customers.
Packaging:
Wooden Box Packaging
Carton Packaging
Foam-filled Packaging
Waterproof and Moisture-proof Packaging
Customized Packaging
International Standard Packaging
Logistics:
Sea Freight
Air Freight
Land Transportation
Multimodal Transport
Express Delivery Services
Contact Us:
Ready to take your electrical projects to the next level? Contact us today at ygvcb@hotmail.com to discuss your requirements and explore partnership opportunities with Shaanxi Yuguang Electric Co., Ltd. Let's create a brighter future together.


