I. Product Brief
This product is a new type of monitor developed and designed by our company on the basis of the original JCQ-3A10/800 D-type surge arrester on-line monitor. On the traditional current monitoring circuit, we have added electro-optic converter, optoelectronic isolation, optoelectronic converter, and add 485 communication interface to achieve long-distance isolated transmission. Therefore, this product not only has the functions of traditional monitor current monitoring display and discharge number display, but also can be connected to the display terminal through the total line, in order to achieve the purpose of long-distance monitoring leakage current, resistive current, number of actions and action time, it is convenient for the user to observe the operation condition of the arrester in time. With the traditional monitor counting and leakage current indication function, increased the use of RS-485 interface modbus communication protocol signal transmission function, including "sampling" and "signal conversion" two module unit, the use of cast aluminium shell sealed in one, to achieve the outdoor operation requirements.
The RS-485 interface data transmission module can be built into the circuit of the arrester monitor to transmit real-time leakage current data, resistive current data, the number of recorded discharge actions and time to the upper monitoring device. Remote monitoring of lightning arrester operating parameters to achieve the digitalisation of the substation monitoring system. Completing the intelligent design of on-line monitoring of lightning arrester operation in unmanned substation.
The max transmission distance can be up to 1000 metres. After the actual network operation assessment, its convenience, reliability are better than the current pointer leakage meter monitoring device, to meet the actual monitoring needs. After the application will end the history of manual inspection records, to achieve the control room remote on the arrester leakage current online real-time monitoring.

II. Range of application
Suitable for on-line monitoring of transmission and substation metallic zinc oxide surge arresters.
III. Structure and character:
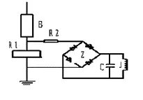
1. Electrical principle: lightning arrester monitor is mainly composed of sampling valve, silicon bridge rectifier, high-voltage capacitor, electromagnetic counter, milliamp meter and other components. It is the use of the discharge current through the arrester, in the valve (non-linear resistance) on the voltage generated by the silicon bridge rectifier to charge the capacitor to the electromagnetic counter discharge, each put a record, to achieve the recording of the number of lightning arrester action.
Figure: B-lightning arrester, C-capacitor, J-electromagnetic counter, Z-rectifier bridge, R1-sampling valve, R2 buck current limiting resistor. The electrical principle attached to the figure is as follows:

2.The product shell adopts high-quality die-casting aluminium shell, the external surface of the spray treatment has good corrosion resistance; sealing performance is better than the stainless steel shell, not by the external environment. Internal components have good anti-aging properties, can be applied to long-term operation in the power system.
IV. Product characteristics
No need for voltage signals: high-speed sampling, use FFT algorithm to analyse waveforms. Use harmonic analysis method to calculate surge arrester resistive current, no need to collect voltage signal from PT, so as to reduce the complexity of the system and the amount of engineering;
Passive mode of operation: using the leakage current of the arrester itself to obtain energy, no need to lay cables;
Wireless transmission: communication adopts the State Grid standard low-power communication module. It conforms to the construction specification of ubiquitous power IoT, and does not need to lay communication cables;
Provide online monitoring application APP for lightning arrester, if the substation is deployed with ubiquitous power IoT access node, it can be deployed and configured remotely through the IoT platform of the provincial company;
Comply with the information security requirements of the State Grid, and can quickly access the provincial company's IoT platform and transmission and substation online monitoring system;
Adopts high-precision active zero-flux through-centre transformer. According to the measured current size,automatically select the amplification, achieve high-precision measurement;
Adopts dynamic phase compensation algorithm to achieve high-precision measurement signal analysis;
Digital filtering algorithm, eliminating the "zero drift problem"caused by analogue filters;
Easy to install, flexible configuration, the main equipment can be implemented without power failure.
V. Technical indicators:
Product implementation standard: JB/T10492-2011 Monitoring Device for Metal Oxide Lightning Arrester. Its main technical performance is shown in the table below:
|
Model number |
|
|
|
|
|
|
|
Nominal Discharge Current (kA) |
Residual voltage not more than (kV) |
2ms square wave Current (A) |
4/10μs High Current Shock (kA) |
Counting type |
|
JCQ-3XXXXXX |
10 |
2.5 |
800/1500 |
100 |
Digital type |
1.Monitoring the outdoor part of the display section:
A, Ammeter display: 0-3.00mA/0-6.00mA/0-10.00mA (effective value)
B, Ammeter accuracy: range error is not more than 5%.
C, Counter times: 0-999 (can cycle counting).
D, Working environment: -30 ℃ - +60 ℃, humidity ≤ 95% RH, sealing performance to withstand the natural outdoor environment.
E. Altitude: ≤4000m.
2.Remote data transmission part:
A.Full current measurement range: 100μA-5mA; Resolution:<5μA; Accuracy: 5%±5μA;
B.Resistive current measurement range: 10μA-10mA; Resolution:<5μA; Accuracy: 5%±5μA;
C.Action times record format: xxx times;
D.Action time record format xxxx year xx month xx day xx time xx minute xx seconds;
E.Operating voltage: DC 12V ~ 24V distance to be considered on the line voltage drop, supply current: 0.2A;
F.Shell protection grade: IP65;
G.Applicable voltage level: 500kV and the following levels.
3. Waterproof aviation plug wiring figure
Terminal 1: power supply +12V/+24V;
Terminal 2: power supply -12V/-24V;
Terminal 3: RS485(A);
Terminal 4: RS485(B).

Wiring figure
VI. Installation method and size:
1. When installing, the inclination angle between the monitor panel and the horizontal plane should be less than 85°, so as to avoid the accumulation of water affecting the observation.Use screws to fix the base of the metal casing on the metal support, and grounded through the grounding bus (the monitor base can be used as a grounding bus). The other end of the insulator through the top of the wiring bolt connected to the electrode, with a wire (or aluminium tape) connected to the low-voltage end of the lightning arrester, wiring wire or aluminium row itself should be fixed, can not be allowed to monitor the wiring bolt excessive force, so as not to destroy the sealing of the product lead to product damage.
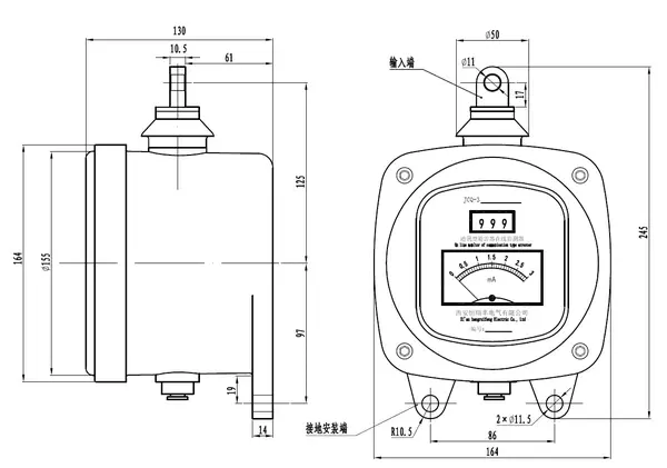
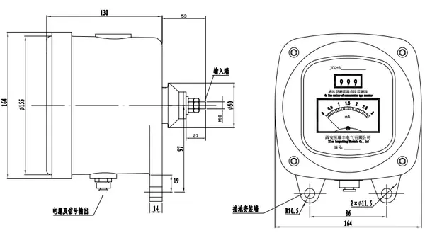
2. The external size is shown in the following figure:
1) Top-mounted wireless remote transmission lightning arrester monitor:

2)Back-mounted wireless remote transmission lightning arrester monitor:


3. Description of product number
|
Product number |
× |
× |
× |
× |
× |
× |
× |
× |
× |
× |
|
Manufacturing Number |
Address code |
|||||||||
VII. User inspection and test methods:
1. Open the packing box, check whether the random documents (instruction manual, packing list, certificate of conformity, installation screws, connectors) are complete.
2. According to the packing list item by item to check whether the accessories are complete, at the same time check the product appearance whether there are traces of bruises, insulators whether there are cracks, falling block phenomenon.
3. Action performance test: a withstand voltage of 500V or more, the capacity of more than 5 microfarads capacitor connected to the 500V rocking table, with 90 ~ 120 revolutions per minute to shake the table, charging the capacitor, when the capacitor on the capacitor with a multimeter to monitor the voltage reaches 300V, immediately disconnect from the rocking table connected to the capacitor, capacitor to the counter to discharge instantly. The discharge counter shall count once and make 10 consecutive passes, all of them shall be reliably actuated.
4. The test of the discharge counter can also be carried out with the special tester produced by the factory.
VIII. Quality assurance:
Users in the specified conditions of installation and use, the company is responsible for three packages within the period of three packages, replacement within one year, lifetime warranty. Users have special requirements, can come to discuss, write to us.
IX. Application cases


OEM/ODM Services:
At Shaanxi Yuguang Electric Co., Ltd., we understand the importance of customization. That's why we offer comprehensive OEM and ODM services to meet your specific requirements. Whether you need private labeling or custom product development, our experienced team is here to assist you every step of the way.
Certificates:
We take pride in our commitment to quality and safety. Our products are certified to meet the highest industry standards, including:
3C Certification
ISO 9001 Certification
21 Utility Model Patents and Design Patents

Why Choose Us:
State-of-the-art Manufacturing Equipment
Extensive Testing Facilities
Comprehensive Quality Assurance Processes
ISO 9001 Certified Quality Management System
One-year Warranty on All Products
Large Production Capacity
FAQ:
Q: What is the warranty period for your products? A: We offer a one-year warranty on all our products.
Q: Can you customize products according to our specifications? A: Yes, we provide OEM and ODM services to meet your specific requirements.
Q: Are your products compliant with international standards? A: Yes, our products meet all relevant international standards.
Q: What is the lead time for orders? A: The lead time depends on the quantity and customization requirements. Please contact us for more information.
Q: Do you provide technical support? A: Yes, we offer comprehensive technical support to our customers.
Packaging:
Wooden Box Packaging
Carton Packaging
Foam-filled Packaging
Waterproof and Moisture-proof Packaging
Customized Packaging
International Standard Packaging
Logistics:
Sea Freight
Air Freight
Land Transportation
Multimodal Transport
Express Delivery Services
Contact Us:
Ready to take your electrical projects to the next level? Contact us today at ygvcb@hotmail.com to discuss your requirements and explore partnership opportunities with Shaanxi Yuguang Electric Co., Ltd. Let's create a brighter future together.


