I. Product Brief
This product is a new type of monitor developed and designed by our company on the basis of the original JCQ-3A10/800 D-type surge arrester on-line monitor. On the traditional current monitoring circuit, we have added leakage current pick-up module, supercapacitor module, electro-optic converter, optoelectronic isolation, optoelectronic converter, and LoRa communication to achieve the long-distance isolation transmission. Therefore, this product not only has the functions of traditional monitor current monitoring display and discharge number display, but also can be connected to the display terminal through the total line, in order to achieve the purpose of long-distance monitoring leakage current, resistive current, number of actions and action time, it is convenient for the user to observe the operation condition of the arrester in time. At the same time, through the analysis of monitoring data can be found in a timely manner metal zinc oxide lightning arrester potential faults, and provide an important data basis for condition maintenance. For the power system safety, reliability, stability, economic operation provides a strong, reliable guarantee for the operation and maintenance personnel to provide reliable information on the insulation of the equipment and the basis of the scientific overhaul, so as to achieve the goal of reducing the incidence of accidents, prolonging the maintenance intervals, reducing the number and time of outages and maintenance. The purpose is to reduce the occurrence of accidents, prolong the maintenance interval, reduce the number and time of power failure and improve the equipment utilisation rate and overall economic efficiency.
Wireless remote transmission lightning arrester online monitor can be built into the circuit of surge arrester monitor through LoRa data transmission module, and send real-time leakage current data, resistive current data, recorded number of discharging actions and time wirelessly to the wireless receiver repeater device. Through RS-485 signal line, the wireless relay will transmit the real-time leakage current data, resistive current data, recorded number of discharging actions and time to the upper monitoring device, so as to monitor the lightning arrester operation parameters from a distance, and realise the digitalization of the monitoring system of the transformer substation. It completes the intelligent design of on-line monitoring of lightning arrester operation condition in unmanned substation.
The max transmission distance can be up to 1000 metres. After the actual network operation assessment, its convenience, reliability are better than the current pointer leakage meter monitoring device, to meet the actual monitoring needs. After the application will end the history of manual inspection records, to achieve the control room remote on the arrester leakage current online real-time monitoring.
II. Range of application
Suitable for on-line monitoring of transmission and substation metallic zinc oxide surge arresters.
III. Product basics:
The basic principle of Wireless remote transmission lightning arrester on-line monitor is to replace the original ordinary arrester monitor with intelligent arrester counter, the original monitor function is completely retained. In the monitor is installed in the lightning arrester full current and harmonic method of resistive current analogue test circuit, microcontroller A/D conversion system. Using the lightning arrester leakage current charging function to obtain energy to drive the circuit work. With a high-performance MCU, high-speed sampling to obtain the leakage current waveform, using the FFT algorithm to analyse the waveform, without the need to obtain the voltage signal to calculate the lightning arrester resistive current using the harmonic analysis method. Through the installation of micro-power consumption communication module in line with the requirements of the ubiquitous power Internet of Things, LoRa wireless communication will be the lightning arrester leakage current, resistive current, the number of discharges and discharge time, wireless remote upload to the data receiving device. The micro-power consumption communication module has an effective communication distance of not less than 500 metres. Thus realising the uploading of metal oxide surge arrester operation data, real-time and effective monitoring of surge arrester operation conditions, improving operation and maintenance efficiency, enhancing the intelligence of power transmission and transformation equipment, networking; accumulating experience for improving the automation level of electric power equipment. Improving the level of real-time monitoring of the operation of the power system, and reducing the management cost.
IV. Structure and character:
1. Electrical principle: lightning arrester monitor is mainly composed of sampling valve, silicon bridge rectifier, high-voltage capacitor, electromagnetic counter, milliamp meter and other components. It is the use of the discharge current through the arrester, in the valve (non-linear resistance) on the voltage generated by the silicon bridge rectifier to charge the capacitor to the electromagnetic counter discharge, each put a record, to achieve the recording of the number of lightning arrester action.
Figure: B-lightning arrester, C-capacitor, J-electromagnetic counter, Z-rectifier bridge, R1-sampling valve, R2 buck current limiting resistor. The electrical principle attached to the figure is as follows:

2.The product shell adopts high-quality die-casting aluminium shell, the external surface of the spray treatment has good corrosion resistance; sealing performance is better than the stainless steel shell, not affected by the external environment. Internal components have good anti-aging properties, can be applied to long-term operation in the power system.
V. Product characteristics
No need for voltage signals: high-speed sampling, use FFT algorithm to analyse waveforms. Use harmonic analysis method to calculate surge arrester resistive current, no need to collect voltage signal from PT, so as to reduce the complexity of the system and the amount of engineering;
Passive mode of operation: using the leakage current of the arrester itself to obtain energy, no need to lay cables;
Wireless transmission: communication adopts the State Grid standard low-power communication module. It conforms to the construction specification of ubiquitous power IoT, and does not need to lay communication cables;
Provide online monitoring application APP for lightning arrester, if the substation is deployed with ubiquitous power IoT access node, it can be deployed and configured remotely through the IoT platform of the provincial company;
Comply with the information security requirements of the State Grid, and can quickly access the provincial company's IoT platform and transmission and substation online monitoring system;
Adopts high-precision active zero-flux through-centre transformer. According to the measured current size,automatically select the amplification, achieve high-precision measurement;
Adopts dynamic phase compensation algorithm to achieve high-precision measurement signal analysis;
Digital filtering algorithm, eliminating the "zero drift problem"caused by analogue filters;
Easy to install, flexible configuration, the main equipment can be implemented without power failure.
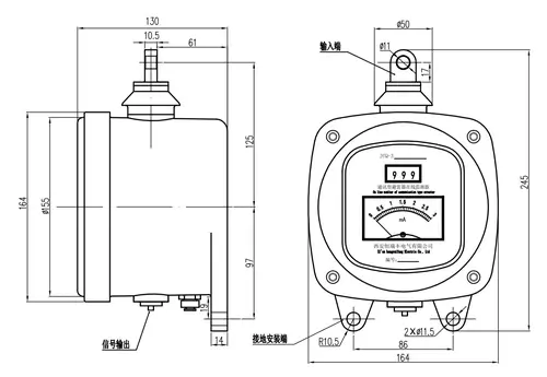
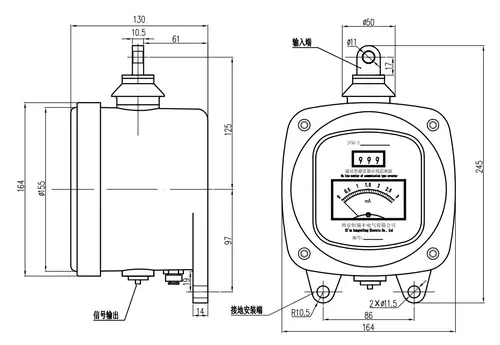
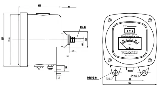
VI. Installation method and size
1. When installing, the inclination angle between the monitor panel and the horizontal plane should be less than 85°, so as to avoid the accumulation of water affecting the observation.Use screws to fix the base of the metal casing on the metal support, and grounded through the grounding bus (the monitor base can be used as a grounding bus). The other end of the insulator through the top of the wiring bolt connected to the electrode, with a wire (or aluminium tape) connected to the low-voltage end of the lightning arrester, wiring wire or aluminium row itself should be fixed, can not be allowed to monitor the wiring bolt excessive force, so as not to destroy the sealing of the product lead to product damage.
2. The external size is shown in the following figure:
1) Top-mounted wireless remote transmission lightning arrester monitor:

2)Back-mounted wireless remote transmission lightning arrester: monitor:

3. Description of product number
|
Product number |
× |
× |
× |
× |
× |
× |
× |
× |
× |
× |
× |
|
Manufacturing Number |
Address code |
Area |
|||||||||
VI. User inspection and test methods:
1.Open the packing box, check whether the random documents (instruction manual, packing list, certificate of conformity, installation screws, connectors) are complete.
2.According to the packing list item by item to check whether the accessories are complete, at the same time check the product appearance whether there are traces of bruises, insulators whether there are cracks, falling block phenomenon.
3. Action performance test: a withstand voltage of 500V or more, the capacity of more than 5 microfarads capacitor connected to the 500V rocking table, with 90 ~ 120 revolutions per minute to shake the table, charging the capacitor, when the capacitor on the capacitor with a multimeter to monitor the voltage reaches 300V, immediately disconnect from the rocking table connected to the capacitor, capacitor to the counter to discharge instantly. The discharge counter shall count once and make 10 consecutive passes, all of them shall be reliably actuated.
4. The test of the discharge counter can also be carried out with the special tester produced by the factory.
XI. Quality assurance:
Users in the specified conditions of installation and use, the company is responsible for three packages within the period of three packages, replacement within one year, lifetime warranty. Users have special requirements, can come to discuss, write to us.
VIII. Application cases


OEM/ODM Services:
At Shaanxi Yuguang Electric Co., Ltd., we understand the importance of customization. That's why we offer comprehensive OEM and ODM services to meet your specific requirements. Whether you need private labeling or custom product development, our experienced team is here to assist you every step of the way.
Certificates:
We take pride in our commitment to quality and safety. Our products are certified to meet the highest industry standards, including:
3C Certification
ISO 9001 Certification
21 Utility Model Patents and Design Patents

Why Choose Us:
State-of-the-art Manufacturing Equipment
Extensive Testing Facilities
Comprehensive Quality Assurance Processes
ISO 9001 Certified Quality Management System
One-year Warranty on All Products
Large Production Capacity
FAQ:
Q: What is the warranty period for your products? A: We offer a one-year warranty on all our products.
Q: Can you customize products according to our specifications? A: Yes, we provide OEM and ODM services to meet your specific requirements.
Q: Are your products compliant with international standards? A: Yes, our products meet all relevant international standards.
Q: What is the lead time for orders? A: The lead time depends on the quantity and customization requirements. Please contact us for more information.
Q: Do you provide technical support? A: Yes, we offer comprehensive technical support to our customers.
Packaging:
Wooden Box Packaging
Carton Packaging
Foam-filled Packaging
Waterproof and Moisture-proof Packaging
Customized Packaging
International Standard Packaging
Logistics:
Sea Freight
Air Freight
Land Transportation
Multimodal Transport
Express Delivery Services
Contact Us:
Ready to take your electrical projects to the next level? Contact us today at ygvcb@hotmail.com to discuss your requirements and explore partnership opportunities with Shaanxi Yuguang Electric Co., Ltd. Let's create a brighter future together.


