12kV Contact Box/contact box for ABB circuit breaker
YG electric is a professional manufacturer of making 12kv contact box, welcome to visit us.
Characteristics of 12KV contact box series as below:
1.Epoxy resin contact box is mainly used in the switch gear for insulation
2. Made of epoxy resin, which is more steady and safe than the one of porcelain
3. It adopts of automatic pressure gel craft that be APG craft skills
4. Variety usage in nowadays, from the family distribution to low and high voltage electric transaction equipment.
5. Features: long term insulating points, it always keep a good electric insulate performance under wet work environment
6. Material: epoxy resin
Technical parameters:
Power frequency withstand voltage: 42kv/min
Partial discharge: ≤10pc
Lightning impulse voltage: 75kV
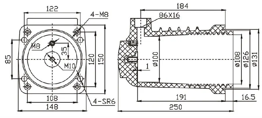
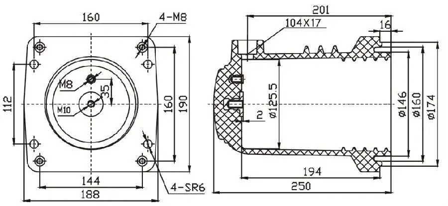
12kV contact box
Type: YGCHZ301-12
Rated current: 630A~1250A


12kV contact box
Type: YGCHZ301-A-12
Rated current: 630A~1250A


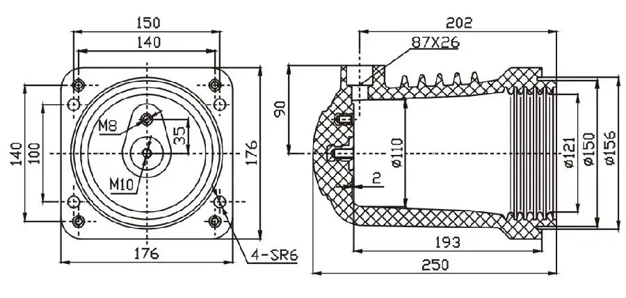
12kV contact box
Type: YGCHZ302-12
Rated current: 1250A~1600A


12kV contact box
Type: YGCHZ303-12
Rated current: 2000A~3150A


12kV contact box
Type: YGCHZ306-12
Rated current: ≤4000A


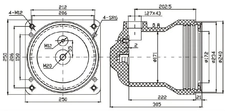
|
No. |
Size |
|
1 |
M12 |
|
2 |
M20 |
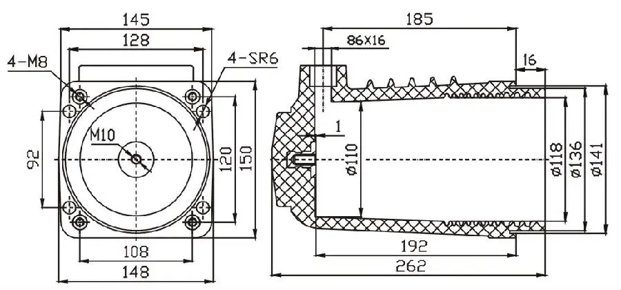
12kV contact box
Type: YGCHZ307-12
Rated current: ≤1600A


12kV contact box
Type: YGCHZ307-12
Rated current: ≤1600A


12kV contact box
Type: YGCHZ308-12
Rated current: ≤3150A


12kV contact box
Type: YGCHZ308-A-12
Rated current: ≤3150A


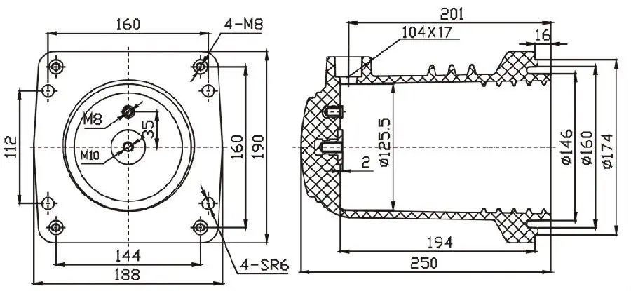
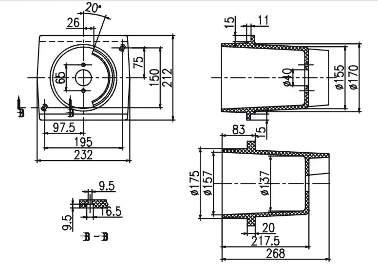
|
No. |
L×W |
|
1 |
127×43 |
|
2 |
135×45 |
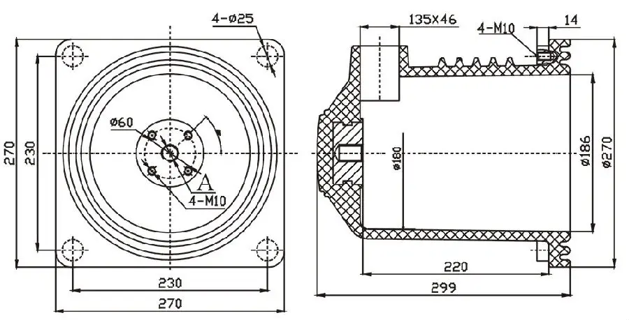
12kV contact box
Type: YGCHZ308-B-12
Rated current: ≤3150A


12kV contact box
Type: YGCHZ310-12
Rated current: 630~1250A


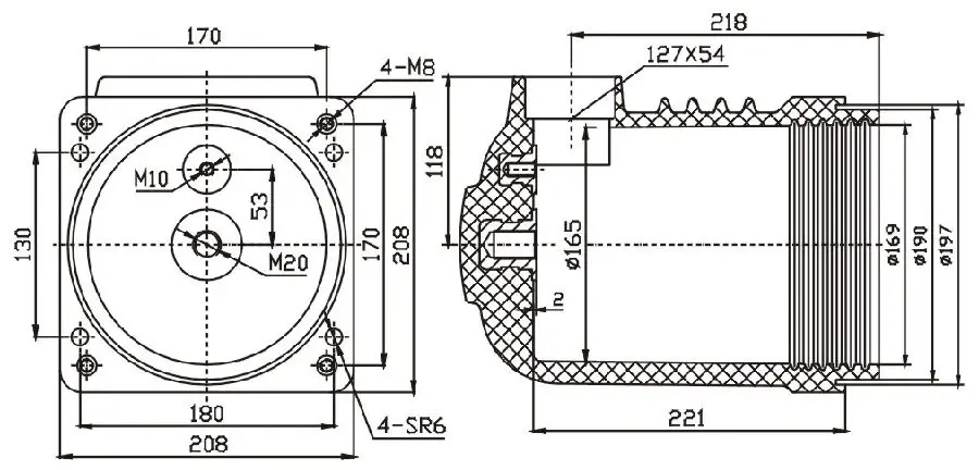
12kV contact box
Type: YGCHZ313-12
Rated voltage: 12kV


12. 12kV contact box
Type: YGCHZ317-12
Rated voltage: 12kV


OEM/ODM Services:
At Shaanxi Yuguang Electric Co., Ltd., we understand the importance of customization. That's why we offer comprehensive OEM and ODM services to meet your specific requirements. Whether you need private labeling or custom product development, our experienced team is here to assist you every step of the way.
Certificates:
We take pride in our commitment to quality and safety. Our products are certified to meet the highest industry standards, including:
3C Certification
ISO 9001 Certification
21 Utility Model Patents and Design Patents

Why Choose Us:
State-of-the-art Manufacturing Equipment
Extensive Testing Facilities
Comprehensive Quality Assurance Processes
ISO 9001 Certified Quality Management System
One-year Warranty on All Products
Large Production Capacity
FAQ:
Q: What is the warranty period for your products? A: We offer a one-year warranty on all our products.
Q: Can you customize products according to our specifications? A: Yes, we provide OEM and ODM services to meet your specific requirements.
Q: Are your products compliant with international standards? A: Yes, our products meet all relevant international standards.
Q: What is the lead time for orders? A: The lead time depends on the quantity and customization requirements. Please contact us for more information.
Q: Do you provide technical support? A: Yes, we offer comprehensive technical support to our customers.
Packaging:
Wooden Box Packaging
Carton Packaging
Foam-filled Packaging
Waterproof and Moisture-proof Packaging
Customized Packaging
International Standard Packaging
Logistics:
Sea Freight
Air Freight
Land Transportation
Multimodal Transport
Express Delivery Services
Contact Us:
Ready to take your electrical projects to the next level? Contact us today at ygvcb@hotmail.com to discuss your requirements and explore partnership opportunities with Shaanxi Yuguang Electric Co., Ltd. Let's create a brighter future together.


