ZN63-12 Vacuum Circuit Breaker
- Free Samples
- Quality Assurance
- 24/7 Customer Service
Product Introduction
Overview:
ZN63-12 Vacuum Circuit Breaker is a kind of high-voltage electrical equipment that is suitable for 50Hz AC power systems with rated voltages of 10kV, 12kV. It is widely used in various fields such as power plants, substations, industrial and mining enterprises, the petrochemical industry, metallurgy, railway transportation, and high-rise buildings.
VS1(ZN63A) series vacuum breaker is of indoor high voltage switchgear suitable for 12kV. Threephase power system with 50Hz frequency in order to protect and control electrical appliances, and especially suitable for frequent operation at rated current or incessant open circuit due to unique advantages of vacuum circuit breaker.
Parameters:

Structure.
ZN63-12 Vacuum Circuit Breaker is designed and manufactured according to GB1984-2003 "AC High Voltage Circuit Breakers". vacuum circuit breaker is mainly composed of a vacuum interrupter, an operating mechanism, a transmission mechanism, and an arc extinguishing chamber.And it is designed and manufactured according to GB1984-2003 "AC High Voltage Circuit Breakers".

Advantages:
The product has the following advantages:
1) Superior breaking capacity: It can break the circuit quickly and reliably to ensure the safety of the power system.
2) Long electrical life: The vacuum interrupter has a long electrical life, reduces maintenance frequency and cost, and improves the reliability of the product.
3) Strong insulation performance: The product has a high insulation level, strong anti-interference ability, and good arc extinguishing performance.
4) Wide application range.
5) It can withstand the rated short-circuit breaking current and peak withstand current.
6) Strong short-circuit current breaking capability.
7) Simple and reliable structure with easy maintenance.
8) The vacuum interrupter has long electrical life and low maintenance cost.
9) High insulation level and strong anti-interference ability.
Application Range and Fields:
ZN63-12 Vacuum Circuit Breaker is widely used in various industries and fields, including but not limited to:
1) Power plants: used in incoming and outgoing lines, transformers, generators, and transfer stations.
2) Substations: used in incoming and outgoing lines of high-voltage switchgear.
3) Industrial and mining enterprises: used for protection and control of motors, capacitors, transformers, lighting, and other power distribution systems.
4) Petrochemical industry: used for protection and control of oil refining, chemical production, and other systems.
5) Metallurgy: used for protection and control of power distribution in steel plants, casting plants, rolling mills, and other industries.
6) Railway transportation: used for protection and control of electric locomotives, traction substations, and line equipment.
7) High-rise buildings: used for protection and control of power distribution systems in large-scale buildings.
|
Technical Parameters |
Values |
|
Rated voltage |
12kV |
|
Rated current |
630A |
|
Rated frequency |
50Hz |
|
Rated short-circuit breaking current |
20kA |
|
Rated short-circuit-making current (peak) |
50kA |
|
Rated short-time withstand current (4s) |
20kA |
|
Rated peak withstands current |
50kA |
|
Rated insulation level |
Power frequency withstand voltage (1min): 42kV |
|
Rated operating sequence |
O-0.3s-CO-180s-CO |
|
Mechanical life |
10000 operations |
|
Electrical life |
Vacuum interrupter: 20000 operations |
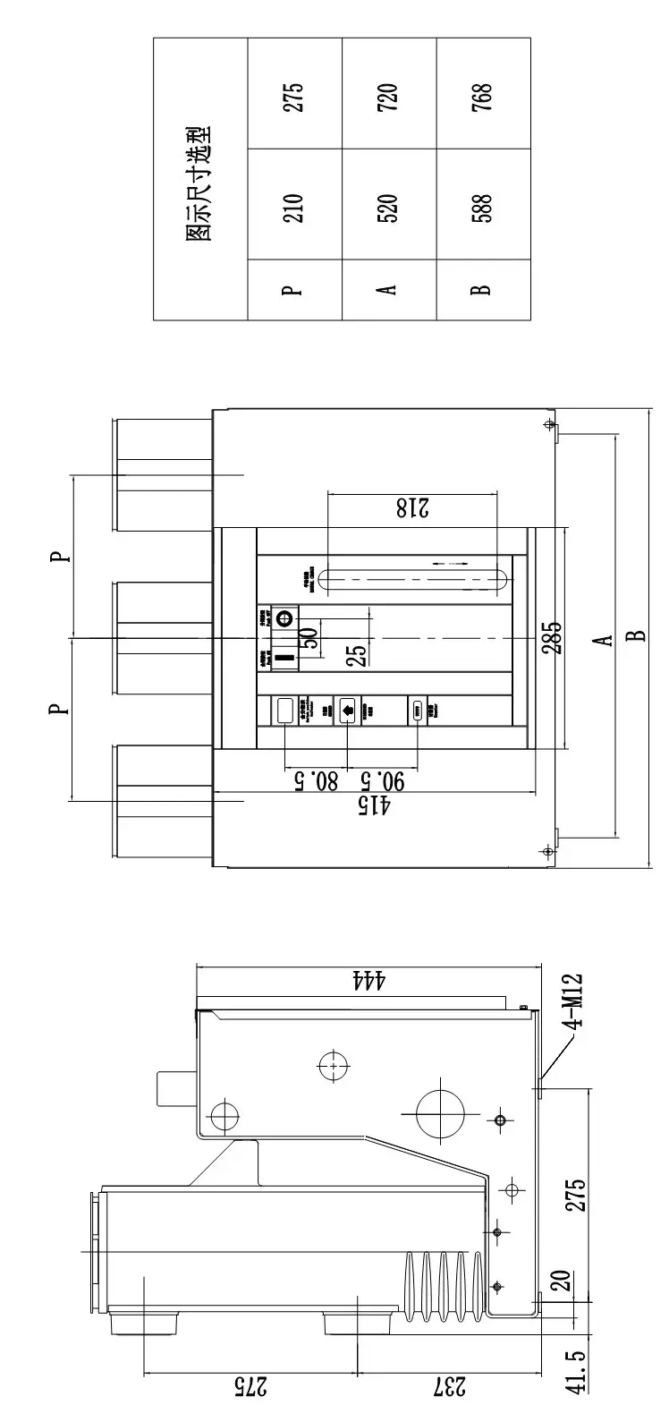
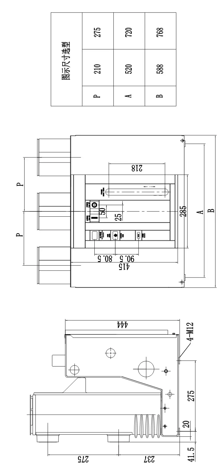
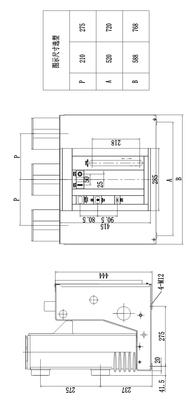
Product Size:

Performance Indicators:
ZN63-12 Vacuum Circuit Breaker is designed and manufactured according to GB1984-2003 "AC High Voltage Circuit Breakers". The product has the following performance indicators:
1) It can withstand the rated short-circuit breaking current and peak withstand current.
2) Strong short-circuit current breaking capability.
3) The rated operating sequence is O-0.3s-CO-180s-CO.
4) Simple and reliable structure with easy maintenance.
5) The vacuum interrupter has long electrical life and low maintenance cost.
6) High insulation level and strong anti-interference ability.
Application Range and Fields:
ZN63-12 Vacuum Circuit Breaker is widely used in various industries and fields, including but not limited to:
1) Power plants: used in incoming and outgoing lines, transformers, generators, and transfer stations.
2) Substations: used in incoming and outgoing lines of high-voltage switchgear.
3) Industrial and mining enterprises: used for protection and control of motors, capacitors, transformers, lighting, and other power distribution systems.
4) Petrochemical industry: used for protection and control of oil refining, chemical production, and other systems.
5) Metallurgy: used for protection and control of power distribution in steel plants, casting plants, rolling mills, and other industries.
6) Railway transportation: used for protection and control of electric locomotives, traction substations, and line equipment.
7) High-rise buildings: used for protection and control of power distribution systems in large-scale buildings.
Product Features:
ZN63-12 Vacuum Circuit Breaker has the following features:
1) Compact structure, small size, and convenient installation.
2) Safe and reliable, with excellent breaking performance and high reliability.
3) Low maintenance cost, long service life, and low failure rate.
4) Strong environmental adaptability, can operate normally under various harsh conditions.
5) Easy to operate, with simple structure and convenient maintenance.
Product Advantages:
ZN63-12 Vacuum Circuit Breaker has the following advantages:
1) Superior breaking capacity: It can break the circuit quickly and reliably to ensure the safety of the power system.
2) Long electrical life: The vacuum interrupter has a long electrical life, reduces maintenance frequency and cost, and improves the reliability of the product.
3) Strong insulation performance: The product has a high insulation level, strong anti-interference ability, and good arc extinguishing performance.
4) Wide application range: It is suitable for various fields and industries with different requirements.
Product Logistics:
We offer a fast and reliable logistics service to ensure that the product arrives at the customer's location on time and in perfect condition. Our logistics partners are experienced and reliable, providing professional services to ensure customer satisfaction.
Market Price and After-sales Service:
We offer competitive prices for ZN63-12 Vacuum Circuit Breakers without compromising on quality. Our after-sales service team provides timely and professional services to ensure customer satisfaction.
Safety Assurance and Quality Management:
We have established a strict safety assurance and quality management system to ensure that each product meets or exceeds the industry standards. Each product undergoes strict inspection and testing before delivery to ensure that it meets the relevant safety and quality requirements.
To sum up, Jiangsu Starring New Energy Co., Ltd. is a professional manufacturer and supplier of ZN63-12 Vacuum Circuit Breakers, with competitive prices and reliable after-sales service. If you are interested in our products or need more information, please feel free to contact us at ygvcb@hotmail.com
OEM/ODM Services:
At Shaanxi Yuguang Electric Co., Ltd., we understand the importance of customization. That's why we offer comprehensive OEM and ODM services to meet your specific requirements. Whether you need private labeling or custom product development, our experienced team is here to assist you every step of the way.
Certificates:
We take pride in our commitment to quality and safety. Our products are certified to meet the highest industry standards, including:
3C Certification
ISO 9001 Certification
21 Utility Model Patents and Design Patents

Why Choose Us:
State-of-the-art Manufacturing Equipment
Extensive Testing Facilities
Comprehensive Quality Assurance Processes
ISO 9001 Certified Quality Management System
One-year Warranty on All Products
Large Production Capacity
FAQ:
Q: What is the warranty period for your products? A: We offer a one-year warranty on all our products.
Q: Can you customize products according to our specifications? A: Yes, we provide OEM and ODM services to meet your specific requirements.
Q: Are your products compliant with international standards? A: Yes, our products meet all relevant international standards.
Q: What is the lead time for orders? A: The lead time depends on the quantity and customization requirements. Please contact us for more information.
Q: Do you provide technical support? A: Yes, we offer comprehensive technical support to our customers.
Packaging:
Wooden Box Packaging
Carton Packaging
Foam-filled Packaging
Waterproof and Moisture-proof Packaging
Customized Packaging
International Standard Packaging
Logistics:
Sea Freight
Air Freight
Land Transportation
Multimodal Transport
Express Delivery Services
Contact Us:
Ready to take your electrical projects to the next level? Contact us today at ygvcb@hotmail.com to discuss your requirements and explore partnership opportunities with Shaanxi Yuguang Electric Co., Ltd. Let's create a brighter future together.
Send Inquiry
You may like


